page 1
page 2
page 3
page 4
page 5
page 6
page 7
page 8
page 9
page 10
page 11
page 12
page 13
page 14
page 15
page 16
page 17
page 18
page 19
page 20
page 21
page 22 page 23
page 24
page 25
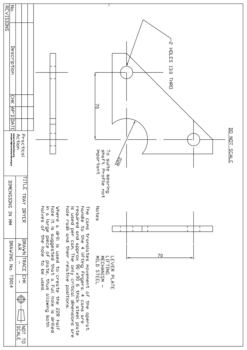
< prev - next > Crop processing Drying tray_dryer_semi_continuous_engineering_diagrams 1 (Printable PDF)